Szeles ház

Az elpárologtató szerepe, működése, típusai a hűtéstechnikában

Az elpárologtató a hűtőközeg és a hűtött közeg közti kapcsolatot teremti meg.

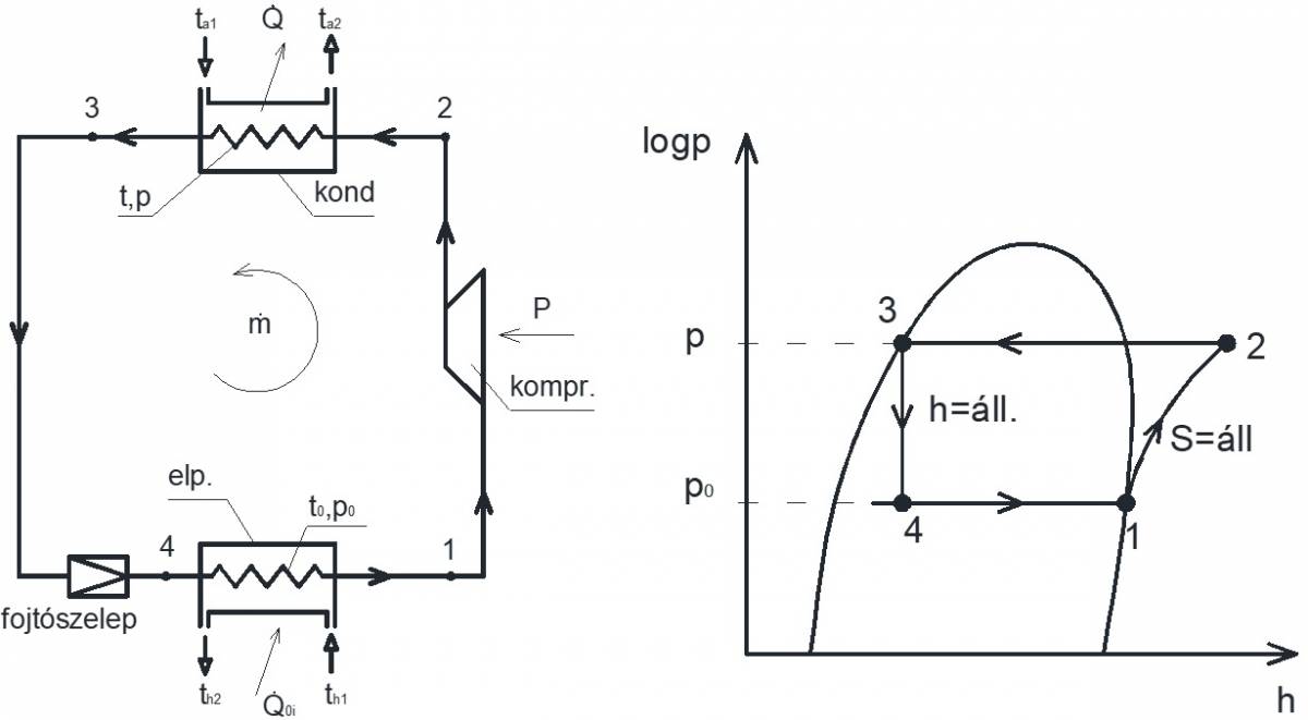
Hűtőkörfolyamat logp-h diagramon

1. ábra Egyfokozatú hűtő körfolyamat kapcsolási vázlata és logp-h diagramja


Az elpárologtatóban a hőforrás lehűl, fázisváltozás történik, és a hőforrásból kinyert hőt a kompresszor tovább szállítja, melyet a kondenzátornál hasznosítunk.

Konstrukció szerint:

Száraz rendszerű elpárologtató (kis teljesítményű rendszereknél)

Az elpárologtatóba belép a hűtőközeg (kisebb része gőz, nagyobb folyadék), majd intenzív forrás indul, a gőzhányad nő, folyadékhányad csökken, és a folyamat végén már nem szabad, hogy folyadék legyen, hanem száraz telített gőz kell, hogy legyen, hogy a kompresszort ne érje folyadékütés (enyhe túlhevített gőz még biztonságosabb, mint a száraz túlhevített gőz). Az ilyen elpárologtatót átáramlásosnak is hívják, mert átáramlik rajta a teljes hűtőközeg. Az elpárologtató egy csőkígyóból áll.

A csőkígyóból álló elpárologtató vázlata

2. ábra A csőkígyóból álló elpárologtató vázlata

 

A csőköteges hőcserélő:

A csőköteges elpárologtató vázlata

3. ábra A csőköteges elpárologtató vázlata

 

A hűtött közeg a csövekben áramlik, a csöveket pedig a hűtőközeg veszi körbe, mely lehet levegő és folyadék is. Folyadék esetén a hűtőközegoldal hőátadási tényezője alacsonyabb, mint a folyadékoldalon. Annak érdekében, hogy a hőátadás mértékét növeljék, bordákat, lemezeket helyeznek a csővezeték falába, hogy a turbulenciát növeljék.

  A hőátadási tényező változása az elpárolás mentén  

4. ábra A hőátadási tényező változása az elpárolgás mentén


A hőáram növeléséhez a hőmérséklet-különbséget kell növelni a két közeg között, melyet csak úgy lehet biztosítani, hogyha csökkentjük az elpárolgási hőmérsékletet.

  A hőátadás folyamata az elpárologtató fala mentén  

5. ábra A hőátadás folyamata az elpárologtató fala mentén

 

Elárasztott rendszerű elpárologtató (nagy hűtőteljesítmény esetén, 100-200 kW)

Az elpárologtatóból elvezetjük a folyadék állapotú hűtőközeg egy részét. A folyadékot egy leválasztóedénybe vezetjük. A folyadék felett a tartályban gőz állapotban van a hűtőközeg, melyet vezetünk a kompresszorhoz.

  Elárasztott rendszerű elpárologtató kialakítása  

6. ábra Az elárasztott rendszerű elpárologtató kialakítása


„rec”: recirkulációs kör, ahol létezik természetes és kényszeráramoltatású rendszer.

Ehhez több hűtőközeg-tömegáramot kell biztosítani (például szivattyúval).

  Léghűtéses elárasztott rendszerű elpárologtató  

7. ábra A léghűtéses elárasztott rendszerű elpárologtató kialakítása

Folyadékhűtéses elárasztott elpárologtató  

8. ábra A folyadékhűtéses elárasztott rendszerű elpárologtató kialakítása

 

A rendszer előnye: a hőátadási tényezőt megnöveljük.

Hátránya: nagy hűtőközegtöltet szükséges.

A leválasztóedény méretezése összetett feladat. A recirkuláltatott hűtőközeg tömegárama egy-két elpárolgás esetén természetes úton cirkulál, több elpárolgás esetén szivattyú végzi a cirkulációt. Amennyiben a hűtési igény megnő, fontos a szivattyú számára megfelelő hozzáfolyási magasság biztosítása. Ellenkező esetben kavitáció történhet a szivattyú előtt. Ez technikailag annyit jelent, hogy az edény alja és a szivattyú magassága között legyen szükséges magasságkülönbség biztosítása. Cseppleválasztást is kell biztosítani az edény tetején, hogy véletlenül se kapjon folyadékütést a kompresszor. Fontos a hűtőközeg tárolásának biztosítása is karbantartás esetén.

Ossza meg ismerőseivel!


Érdekelődés

Minden jog fenntartva a Kassai Klíma Kft. részére! 2020 Oldaltérkép